\"Compressore ermetico Copeland ZB61KQE-TFD-550 R410A per impianti di climatizzazione\"
\"Compressore a pistoni DAIKIN RZAG25T R410A per impianti HVAC\"
\"Compressore ermetico Copeland ZB61KQE-TFD-550 R410A per impianti di climatizzazione\"
\"Compressore a pistoni DAIKIN RZAG25T R410A per impianti HVAC\"

Compresseur Frascold A 05 4Y

CSA054Y
Neuf
610,16 €

Compresseur Semis hermétique Frascold A 05 4Y à 2 cylindres avec moteur électrique intégré démarrage direct (DOL) et sondes-ptc connectées au système de protection

  • ∆ = 50Hz/220-240V/3Ph (60Hz/265-290V/3Ph)
  • Y = 50Hz/380-420V/3Ph (60Hz/440-480V/3Ph)
 

Compresseur Semis hermétique Frascold A 05 4Y

Standard

  • module électronique pour la surveillance et la protection du moteur électrique d'aspiration et de compression
  • boîtier de connexion électrique IP56
  • charge d'huile POE32
  • indicateur de niveau d'huile pour contrôle visuel ou connexion à des dispositifs/régulateurs automatiques mécaniques et électriques
  • supports en caoutchouc
  • charge de protection (gaz inerte 1bar)
  • emballage adéquat pour le transport, la manutention, le stockage

Optionnel

  • moteurs électriques pour différentes tensions d'alimentation
  • résistance de chauffage d'huile
  • ventilateur pour le refroidissement supplémentaire
  • régulateur électronique de niveau d'huile
  • kit bride + robinet pour connexion coplanaire
SI IP
Cylindres 2 2
Déplacement volumétrique @ 50 Hz 3.95 m3/h [50Hz] 139.51 CFH [50Hz]
Déplacement volumétrique @ 60 Hz 4.74 m3/h [60Hz] 167.42 CFH [60Hz]
Version moteur [1] 1 1
Puissance nominale moteur (HP) 0.5 0.5
Puissance nominale moteur (kW) 0.37 0.37
Tension moteur à 50 Hz [2] 220-240V - 380-420V/3/50Hz DOL V/ph/Hz 220-240V - 380-420V/3/50Hz DOL V/ph/Hz
Tension moteur à 60 Hz [2] 265-290V - 440-480V/3/60Hz DOL V/ph/Hz 265-290V - 440-480V/3/60Hz DOL V/ph/Hz
Ponticelles pour démarrage direct DOL Inclus Inclus
MRA, courant de fonctionnement maximal à 230V/50Hz et 280V/60Hz 4.9 A 4.9 A
MRA, courant de fonctionnement maximal à 400V/50Hz et 460V/60Hz 2.8 A 2.8 A
LRA, courant de démarrage maximal à 230V/50Hz et 280V/60Hz - moteur DOL 18.6 A 18.6 A
LRA, courant de démarrage maximal à 400V/50Hz et 460V/60Hz - moteur DOL - moteur PWS connecté DOL 10.7 A 10.7 A
Puissance absorbée maximale 1.6 kW [@ 50Hz] 1.6 kW [@ 50Hz]
Fréquence admissible minimale 30 Hz 30 Hz
Fréquence admissible maximale [3] 87 Hz 87 Hz
Dispositif de protection INT69® INT69®
Classe de protection IP56 IP56
Pressions Maximales HP (haute) 30 bar 435.0 psi
Pressions Maximales LP (basse) 20.5 bar 297.3 psi
Type d'huile [4] POE32 POE32
Charge d'huile à 3/4 voyant 1 l 33.81 fl oz
Lubrification Centrifuge Centrifuge
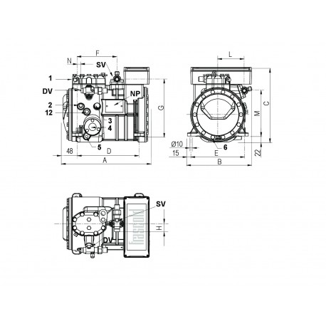
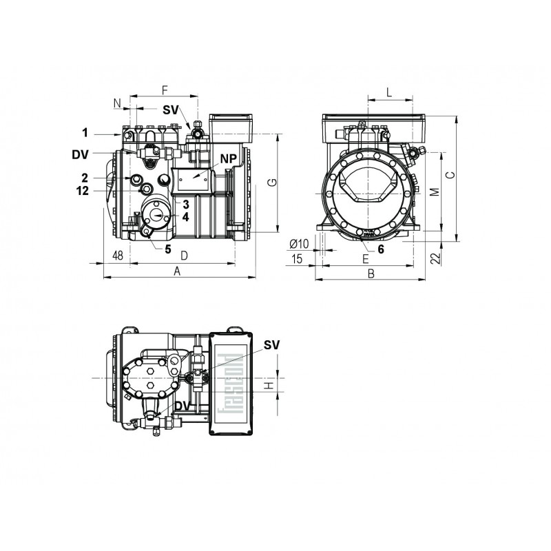
Robinet d'aspiration SV ⅝ pouce ⅝ pouce
Robinet de refoulement DV ½ pouce ½ pouce
Poids Net 36 kg 79.37 lb
Longueur maximale 317 mm 12.49 pouce
Largeur maximale 237 mm 9.34 pouce
Hauteur maximale 275 mm 10.84 pouce
Support en caoutchouc (diamètre) [2] 30 mm 1.18 pouce
Support en caoutchouc (hauteur) 30 mm 1.18 pouce
Support en caoutchouc (dureté) 45 sh 45 sh
Puissance sonore (-10/45, R404A) [5] 63 dB(A) 63 dB(A)
Pression sonore @ 1m (-10/45, R404A) [5] 55 dB(A) 55 dB(A)
Matériau du corps du compresseur Fonte Fonte

Remarques :

[1] Version moteur : 1, haute et moyenne température, tous les réfrigérants ; 2, basse et moyenne température, tous les réfrigérants ; 3 ECOinside, basse température, uniquement R134a et R1234ze
[2] Autres disponibles sur demande
[3] La fréquence maximale dépend du point de travail : voir FSS3 (programme de sélection Frascold)
[4] Autres types d'huile disponibles sur demande
[5] Pression sonore en champ libre, modèle semi-sphérique, à un mètre de distance, à 50Hz ; puissances et pressions dans des conditions différentes sont disponibles sur FSS2
Hp
0,5
Température
TN
Kw
0,37
Neuf

Vous aimerez aussi

Nos produits les plus vendus
Produit ajouté à la liste de souhaits